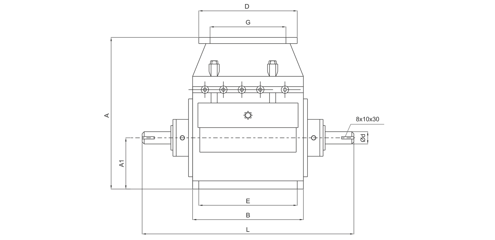
Paçal Paçal makinesi, gövde, rotor ve kapakları tamamen pik dökümde imal edilmiştir. Montajı son derece kolay ve basittir. Kapaklı rulman tipi tercih edildiğinden, yeniden ... Devamı
Paçal makinesi, gövde, rotor ve kapakları tamamen pik dökümde imal edilmiştir. Montajı son derece kolay ve basittir. Kapaklı rulman tipi tercih edildiğinden, yeniden yağlama sorunu yoktur. Bu nedenle un ve un imalat tesislerinin yanı sıra bir çok alanda farklı özeliklere sahip materyallerin beli oranlar dahilinde karıştırılarak imalat yapmak amacı ile kullanılır.
Paçal makinesi, un tesisindeki siloların altında yer alan aktarma helezonları üzerine monte edilir. Farklı yapıdaki buğdayların özelliklerini göz önünde tutarak istenilen oranlardaki karışımı paçal üzerinde yer alan sürgüler aracılığıyla ayarlanmak mümkündür. Bu oranlar sürgülere ait kapasite değerleri çizelgesinde yer almaktadır. Kısacası paçal bir oranlar karışımı düzeneğidir.


Üzgünüz, kayıt bulunamamıştır.
✔ Henüz kayıt eklenmemiştir. Daha sonra tekrar deneyebilrisiniz. ✔ Eğer bunun bir teknik sorun olduğunu düşünüyorsanız, bizimle iletişime geçebilirsiniz.